 
                    
                    
                    8 (800) 775 40 55
                        Звонок из регионов России
бесплатный!
                    бесплатный!
                        Профессиональный строительный инструмент и оборудование
                        
                            
                        
                    
                                            Каталог инструментов
                        
                        
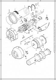
                                    Аппарат горячего воздуха Leister Electron
 
				
				
			Модель снята с производства! Аппарат горячего воздуха Leister Electron (Ляйстер Электрон) – мощный, компактный, прочный, надежный и долговечный строительный фен со встроенной подачей воздуха и плавной регулировкой температуры для решения различных задач – инструмент для профессионала. Используется для сварки кровельных гидроизолирующих покрытий, в том числе и битумно-полимерных (сварка внахлест, сварка плавлением); для усадки термоусадочных трубок, муфт и пленок; для процессов нагрева и сушки.
Производитель: LEISTER (ЛЯЙСТЕР) – Швейцария.
Преимущества аппарата горячего воздуха Leister Electron:
- Большой расход воздуха при высокой мощности
- Рассчитан на длительную эксплуатацию, возможна многократная замена щеток
- Может устанавливаться в технологическое оборудование или использоваться вручную
| Изображение | Артикул | Наименование | 
| 107.258 | Широкая щелевая насадка 70 × 10 мм для сварки битумных покрытий | |
| 107.134 | Широкая щелевая насадка 40 × 2 мм для сварки битумных покрытий | |
| 107.266 | Широкая щелевая насадка 75 × 2 мм, вкл. подставку (арт. № 116.753) | |
| 116.753 | Подставка | |
| 107.270 | Широкая щелевая насадка 150 × 12 мм | |
| 107.229 | Круглая насадка, d = 20 мм | |
| 107.331 | Насадка для усадки створчатая 70 × 70 мм | |
| 107.327 | Решетчатая рефлекторная насадка 85 × 85 мм | |
| 107.333 | Решетчатая рефлекторная насадка 150 × 130 мм | |
| 107.340 | П-образная рефлекторная насадка 45 × 250 мм для равномерной усадки | |
| 107.328 | Насадка для усадки створчатая 60 × 75 мм | |
| 106.127 | Решетчатая рефлекторная насадка "душ" ∅ 65 мм | |
| 107.330 | Створчатая рефлекторная насадка, 125 × 22 мм | |
| 116.054 | Шаберная насадка, (используется только с трубкой нагревательного элемента, арт. № 116.053) | |
| 105.961 | Широкая щелевая насадка, 45 × 12 мм, длина 350 мм (для литейного производства) | |
| 107.347 | Мечеобразная насадка 74 × 12 × 520 мм с ПТФЭ-покрытием | |
| 107.346 | Зеркальная насадка 270 мм | |
| 107.348 | Подставка | |
| 113.269 | Hагревательный элемент, 230 В / 3400 Вт | 
Цена и технические характеристики аппарата горячего воздуха Leister Electron:
Технический паяльный фен
- 
					Коронка алмазная кольцевая по железобетону Kern Diamond Bit Concrete Premium 18 ммДиаметр: 18 ммРабочая длина: 300 - 450 ммЦена: 6 400 руб.
- 
					Станок для накатки желобков на трубах GruvMaster RG-4X (8-24)Диаметр труб: 8" - 24"Мощность: 2,2 кВтЦена: 838 000 руб.
- 
					Алмазная коронка для сухого бурения с микроударом Адель Diamond Hit DH-D400 122 ммДиаметр: 122 ммРабочая длина: 450 ммЦена: 11 700 руб.
- 
					Коронка алмазная кольцевая по железобетону Kern Diamond Bit Concrete Premium 12 ммДиаметр: 12 ммРабочая длина: 300 - 450 ммЦена: 5 800 руб.
- 
					Алмазная коронка для сухого бурения с микроударом Адель Diamond Hit DH-D401 172 ммДиаметр: 172 ммРабочая длина: 450 ммЦена: 21 100 руб.
- 
					Алмазная коронка для сухого бурения с микроударом Адель Diamond Hit DH-D401 225 ммДиаметр: 225 ммРабочая длина: 450 ммЦена: 31 500 руб.
- 
					Ручной гидравлический трубогиб Kern до 4 с закрытой рамойДиаметр труб: 21,3 - 108 мм (1/2" - 4")Толщина стенки труб: 2,75 - 6 ммЦена: 96 600 руб.
- 
					Алмазные коронки по железобетону Kern Diamond Bit Concrete Premium 200 ммДиаметр: 200 ммРабочая длина: 450 ммЦена: 25 850 руб.
Новости
- 
								21.11.2024Поступление желобонакатчиков GruvMaster - Новинка на Российском рынке!
- 
								27.12.2023С новым 2024 годом!
- 
								20.12.2022Режим работы в Новогодние праздники
- 
								12.10.2022ФСБ сообщила о попытке теракта с ПЗРК «Игла» в Подмосковье
- 
								08.12.2020Гибридная модель IBM для облачных вычислений
 
				











Отзывы
Оставьте Ваш отзыв